西門子分步式光電感煙探測器清洗JTY-GD/OP620

一、西門子分步式光電感煙探測器清洗JTY-GD/OP620概述
西門子分步式光電感煙探測器清洗JTY-GD/OP620用于建筑物內部空間的早期火災探測,并通過控制器進行報警與消防聯動。應用于火災產生煙的場合。
OP620探測器滿足
標準GB4715“點型感煙火災探測器技術要求及試驗方法”,探測器的應用設計遵照
標準GB50116“火災自動報警系統設計規范”。
OP620探測器安裝在底座SO620上,通過底座與控制器FI720、FC720相連。
二、西門子分步式光電感煙探測器清洗JTY-GD/OP620功能特點
◎新型式的光電感煙結構,對不同類型的火災煙霧響應一致。
◎穩定性高:抗灰塵附著,抗電磁干擾,抗溫度影響,抗潮濕,抗腐蝕。
◎可靠性高:模擬量智能火災分析模式,內部采用高可靠專用集成電路。
◎采用自適應編址方式,探測器不設編址開關,避免人為造成差錯。
◎探測回路為環形兩總線,且每個探測器內部都有短路隔離開關。當回路中任一點發生短路時,短路點兩邊的隔離開關自動將其隔開,確保系統正常運行;并能準確地判斷短路點。
◎探測回路有自檢功能,且控制器對探測器的運行狀態進行監控并對其探測記錄反復核實。
◎控制器電路(甚至微處理器)出現故障的情況下,也能應急報警。
三、西門子分步式光電感煙探測器清洗JTY-GD/OP620技術參數
| 型號 | JTY-GD/OP620 |
| 名稱 | 分步式光電感煙探測器 |
| 品牌 | 西門子 |
| 工作電壓 | DC16~28V |
| 靜態電流 | ≤200μA |
| 正常靈敏度 | 3.2%/m |
| 高靈敏度 | 2.2%/m |
| 抗電磁干擾 | 50V/m 1Mhz~1GHz |
| 確認燈 | 15mA 亮32ms,滅1s |
| 工作溫度 | -25℃~+60℃ |
| 貯存溫度 | -30℃~+75℃ |
| 相對濕度 | ≤95%(40±2℃) |
四、西門子分步式光電感煙探測器清洗JTY-GD/OP620布線接線圖
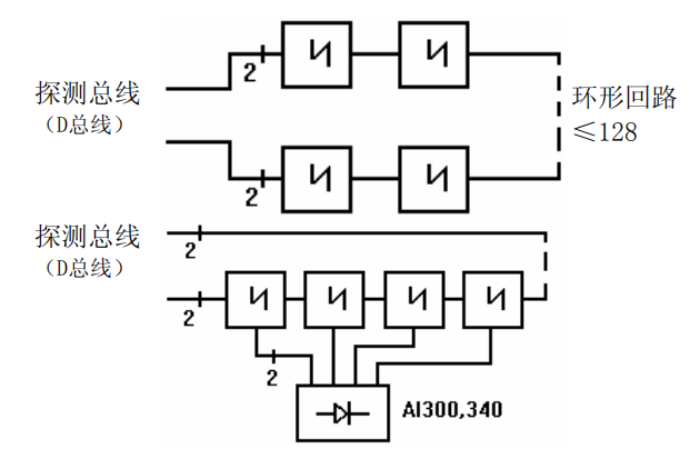
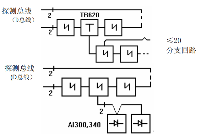
兩總線環形回路(也可采用干型回路),標準采用雙絞線,特殊情況可采用平行線、電纜、屏蔽電纜。環形回路布線最長不超過2000米。
每個回路最多128個探測器。
回路中可加入分支,但必須使用TB620分支模塊。
探測器可做防振、防潮、防盜、保護式安裝。
每個探測器最多可外接兩個門燈AI300、AI340,最多4個探測器可共用一個門燈(見布線圖)。

